回到页顶
首页
公司介绍
公司简介
企业资质
企业荣誉
企业理念
工厂设备
产品中心
蓄能器
无缝容器(储气瓶)
钢质无缝气瓶
舰船用气瓶及压力容器产品(CCS证书)
特种装备产品
标准气瓶
气动集成装置及集成控制阀组
出口类
配套产品及管道阀门类
表面处理
行业资讯
公司新闻
政策法规
行业标准
企业标准
资料栏
质量追溯
人才招聘
团建活动
招贤纳士
联系我们
联系方式
信息反馈
English
行业资讯
公司新闻
政策法规
行业标准
企业标准
资料栏
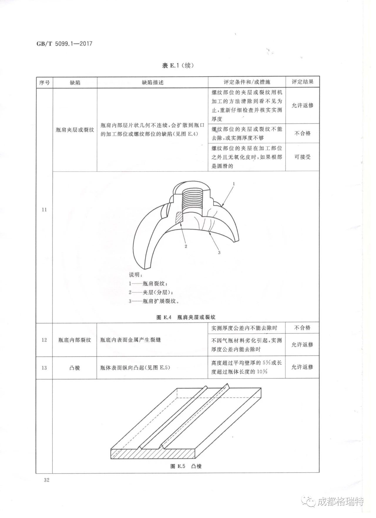
GB 5099.1-2017
日期:2021.02.04 来源:特瑞特
返回上一页
遵守法规 安全可靠 · 诚信守约 顾客满意 · 持续改进 行业领先
遵守法规,安全可靠;
诚信守约,顾客满意;
持续改进,行业领先。
公司介绍
公司简介
企业资质
企业荣誉
企业理念
工厂设备
产品中心
蓄能器
无缝容器(储气瓶)
钢质无缝气瓶
舰船用气瓶及压力容器产品(CCS证书)
特种装备产品
标准气瓶
气动集成装置及集成控制阀组
出口类
配套产品及管道阀门类
表面处理
行业资讯
公司新闻
政策法规
行业标准
企业标准
资料栏
人才招聘
团建活动
招贤纳士
联系我们
联系方式
信息反馈
扫一扫
关注微信公众号